


|
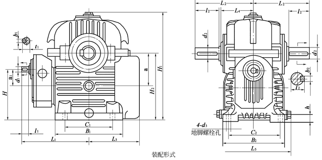
型號\尺寸
|
a
|
a1
|
B1
|
B2
|
C1
|
C2
|
i=35.5~56、100、112
|
i=63~90、125~180
|
||||||||
|
d1
|
l1
|
b1
|
t1
|
L1
|
d1
|
l1
|
b1
|
t1
|
L1
|
|||||||
|
GCWU100
|
100
|
63
|
225
|
240
|
190
|
200
|
22j6
|
36
|
6
|
24.5
|
255
|
19j6
|
28
|
6
|
21.5
|
247
|
|
GCWU125
|
125
|
63
|
260
|
250
|
226
|
205
|
22j6
|
36
|
6
|
24.5
|
273
|
19j6
|
28
|
6
|
21.5
|
265
|
|
GCWU160
|
160
|
80
|
325
|
300
|
230
|
250
|
28j6
|
42
|
8
|
31
|
329
|
24j6
|
36
|
8
|
27
|
323
|
|
GCWU200
|
200
|
100
|
400
|
350
|
280
|
300
|
42k6
|
82
|
12
|
45
|
443
|
28j6
|
42
|
8
|
31
|
403
|
|
GCWU250
|
250
|
125
|
510
|
410
|
370
|
350
|
48k6
|
82
|
14
|
51.5
|
538
|
38k6
|
58
|
10
|
41
|
514
|
|
GCWU315
|
315
|
160
|
640
|
530
|
470
|
445
|
65m6
|
105
|
18
|
69
|
635
|
48k6
|
82
|
14
|
51.5
|
612
|
|
GCWU355
|
355
|
160
|
730
|
580
|
540
|
490
|
65m6
|
105
|
18
|
69
|
680
|
48k6
|
82
|
14
|
51.5
|
657
|
|
GCWU400
|
400
|
200
|
790
|
620
|
620
|
530
|
80m6
|
130
|
22
|
85
|
785
|
60m6
|
105
|
18
|
64
|
760
|
|
GCWU450
|
450
|
200
|
885
|
680
|
700
|
580
|
80m6
|
130
|
22
|
85
|
838
|
60m6
|
105
|
18
|
64
|
813
|
|
GCWU500
|
500
|
250
|
1015
|
750
|
760
|
640
|
100m6
|
165
|
28
|
106
|
995
|
80m6
|
130
|
22
|
85
|
960
|
|
型號\尺寸
|
i=200~315
|
d2
|
l2
|
b2
|
t2
|
L2
|
L3
|
L4
|
L5
|
h
|
H
|
H1
|
||||
|
d1
|
l1
|
b1
|
t1
|
L1
|
||||||||||||
|
GCWU100
|
14j6
|
25
|
5
|
16
|
244
|
48k6
|
82
|
14
|
51.5
|
212
|
180
|
121
|
139
|
25
|
175
|
340
|
|
GCWU125
|
14j6
|
25
|
5
|
16
|
262
|
55m6
|
82
|
16
|
59
|
222
|
202
|
133
|
147
|
30
|
188
|
408
|
|
GCWU160
|
19j6
|
28
|
6
|
21.5
|
315
|
65m6
|
105
|
18
|
69
|
270
|
245
|
156
|
172
|
35
|
240
|
510
|
|
GCWU200
|
22j6
|
36
|
6
|
24.5
|
397
|
88m6
|
130
|
22
|
85
|
325
|
295
|
180
|
197
|
40
|
300
|
650
|
|
GCWU250
|
28j6
|
42
|
8
|
31
|
498
|
100m6
|
165
|
28
|
106
|
385
|
360
|
209
|
228
|
45
|
350
|
785
|
|
GCWU315
|
38k6
|
58
|
10
|
41
|
588
|
120m6
|
165
|
32
|
127
|
420
|
430
|
242
|
289
|
50
|
440
|
980
|
|
GCWU355
|
38k6
|
58
|
10
|
41
|
633
|
130m6
|
200
|
32
|
137
|
470
|
480
|
255
|
315
|
55
|
460
|
1085
|
|
GCWU400
|
48k6
|
82
|
14
|
51.5
|
737
|
150m6
|
200
|
36
|
158
|
490
|
515
|
277
|
335
|
60
|
515
|
1175
|
|
GCWU450
|
48k6
|
82
|
14
|
51.5
|
790
|
170m6
|
240
|
40
|
179
|
560
|
575
|
299
|
367
|
65
|
555
|
1310
|
|
GCWU500
|
60m6
|
105
|
18
|
64
|
935
|
190m6
|
280
|
45
|
200
|
640
|
655
|
343
|
403
|
80
|
650
|
1450
|
|
型號\尺寸
|
H2
|
d3
|
質量m/kg
|
|
GCWU100
|
212
|
14.5
|
69
|
|
GCWU125
|
250
|
18.5
|
101
|
|
GCWU160
|
320
|
18.5
|
160
|
|
GCWU200
|
400
|
24
|
283
|
|
GCWU250
|
475
|
28
|
425
|
|
GCWU315
|
595
|
35
|
750
|
|
GCWU355
|
655
|
35
|
960
|
|
GCWU400
|
715
|
35
|
1300
|
|
GCWU450
|
805
|
42
|
1760
|
|
GCWU500
|
900
|
42
|
2530
|

冀公網安備13092802000153號