

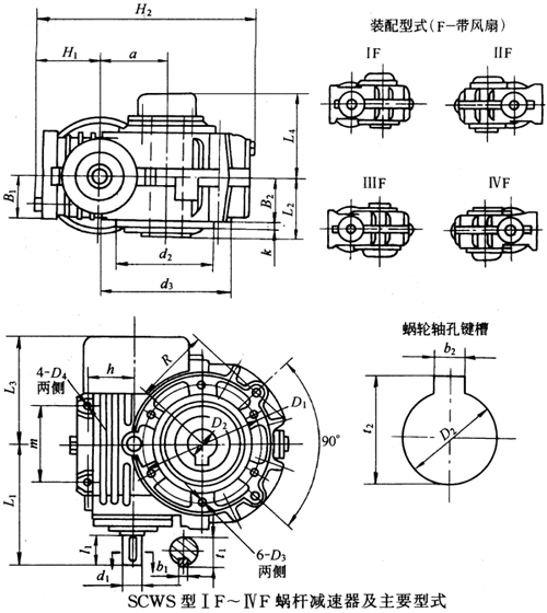
|
型號(hào)\尺寸
|
a
|
d3
|
i<16
|
i≥16
|
D2(H7)
|
||||||||
|
d1(j6)
|
l1
|
b1
|
t1
|
L1
|
d1(j6)
|
l1
|
b1
|
t1
|
L1
|
||||
|
SCWU63
|
63
|
150
|
19
|
28
|
6
|
21.5
|
128
|
19
|
28
|
6
|
21.5
|
128
|
30
|
|
SCWU80
|
80
|
175
|
24
|
36
|
8
|
27
|
151
|
24
|
36
|
8
|
27
|
151
|
40
|
|
SCWU100
|
100
|
218
|
28
|
42
|
8
|
31
|
182
|
24
|
36
|
8
|
27
|
176
|
50
|
|
型號(hào)\尺寸
|
b2
|
t2
|
L2
|
L3
|
L4
|
H1
|
H2
|
D1
|
D3
|
B
|
d2(h8)
|
k
|
m/kg(不包括油)
|
|
SCWU63
|
8
|
33.3
|
70
|
97
|
95
|
60
|
220
|
102
|
M8×16
|
63
|
80
|
3
|
17
|
|
SCWU80
|
12
|
43.3
|
75
|
110
|
106
|
66
|
267
|
125
|
M8×16
|
69
|
100
|
3
|
24
|
|
SCWU100
|
14
|
53.8
|
86
|
130
|
140
|
85
|
325
|
150
|
M10×20
|
80
|
120
|
3
|
41
|

|
型號(hào)\尺寸
|
a
|
d3
|
i<16
|
i≥16
|
D2(H7)
|
b2
|
t2
|
L2
|
||||||||
|
d1
|
l1
|
b1
|
t1
|
L1
|
d1
|
l1
|
b1
|
t1
|
L1
|
|||||||
|
SCWU 125
|
125
|
235
|
32k6
|
58
|
10
|
35
|
218
|
28j6
|
42
|
8
|
31
|
202
|
60
|
18
|
64.4
|
107
|
|
SCWU 140
|
140
|
265
|
38k6
|
58
|
10
|
41
|
228
|
28j6
|
42
|
8
|
31
|
212
|
65
|
18
|
69.4
|
120
|
|
SCWU160
|
160
|
300
|
42k6
|
82
|
12
|
45
|
277
|
32k6
|
58
|
10
|
35
|
253
|
79
|
20
|
74.9
|
125
|
|
SCWU180
|
180
|
330
|
42k6
|
82
|
12
|
45
|
292
|
32k6
|
58
|
10
|
35
|
268
|
80
|
22
|
85.4
|
137.5
|
|
SCWU200
|
200
|
365
|
48k6
|
82
|
14
|
51.5
|
324
|
38k6
|
58
|
10
|
41
|
300
|
85
|
22
|
90.4
|
143
|
|
SCWU225
|
225
|
415
|
48k6
|
82
|
14
|
51.5
|
342
|
38k6
|
58
|
10
|
41
|
318
|
95
|
25
|
100.4
|
160
|
|
SCWU250
|
250
|
475
|
55k6
|
82
|
16
|
59
|
380
|
42k6
|
82
|
12
|
45
|
380
|
105
|
28
|
111.4
|
168
|
|
SCWU280
|
280
|
540
|
60m6
|
105
|
18
|
64
|
430
|
48k6
|
82
|
14
|
51.5
|
407
|
115
|
32
|
122.4
|
180
|
|
SCWU315
|
315
|
600
|
65m6
|
105
|
18
|
69
|
470
|
48k6
|
82
|
14
|
51.5
|
447
|
125
|
32
|
132.4
|
200
|
|
型號(hào)\尺寸
|
L3
|
L4
|
H1
|
H2
|
D1
|
D3
|
D4
|
B1
|
B2
|
m
|
R
|
h
|
d2(h8)
|
k
|
m/kg
|
|
SCWU125
|
202
|
143
|
105
|
380
|
210
|
M12×24
|
13×35
|
84
|
84
|
145
|
135
|
80
|
180
|
10
|
80
|
|
SCWU140
|
220
|
152
|
125
|
433
|
235
|
M12×24
|
13×35
|
95
|
95
|
160
|
150
|
105
|
200
|
10
|
108
|
|
SCWU160
|
245
|
158
|
125
|
470
|
270
|
M12×24
|
13×35
|
95
|
95
|
170
|
170
|
95
|
220
|
10
|
138
|
|
SCWU180
|
260
|
175
|
150
|
530
|
290
|
M16×30
|
17×45
|
110
|
110
|
200
|
190
|
125
|
245
|
12
|
183
|
|
SCWU200
|
295
|
185
|
148
|
580
|
320
|
M16×30
|
17×45
|
115
|
115
|
250
|
213
|
110
|
245
|
12
|
243
|
|
SCWU225
|
320
|
198
|
170
|
640
|
360
|
M16×30
|
17×45
|
130
|
130
|
280
|
235
|
145
|
265
|
12
|
286
|
|
SCWU250
|
360
|
203
|
150
|
682
|
420
|
M16×30
|
17×45
|
135
|
135
|
320
|
265
|
125
|
280
|
12
|
350
|
|
SCWU280
|
390
|
227
|
165
|
755
|
450
|
M20×38
|
21×55
|
150
|
150
|
380
|
295
|
130
|
350
|
14
|
483
|
|
SCWU315
|
430
|
252
|
195
|
850
|
520
|
M20×38
|
21×55
|
170
|
170
|
410
|
340
|
150
|
380
|
15
|
655
|

|
型號(hào)\尺寸
|
a
|
d3
|
i<16
|
i≥16
|
D2(H7)
|
||||||||
|
d1(j6)
|
l1
|
b1
|
t1
|
L1
|
d1(j6)
|
l1
|
b1
|
t1
|
L1
|
||||
|
SCWS63
|
63
|
150
|
19
|
28
|
6
|
21.5
|
128
|
19
|
28
|
6
|
21.5
|
128
|
30
|
|
SCWS80
|
80
|
175
|
24
|
36
|
8
|
27
|
151
|
24
|
36
|
8
|
27
|
151
|
40
|
|
SCWS100
|
100
|
218
|
28
|
42
|
8
|
31
|
182
|
24
|
36
|
8
|
27
|
176
|
50
|
|
型號(hào)\尺寸
|
b2
|
t2
|
L2
|
L3
|
L4
|
H1
|
H2
|
D1
|
D3
|
B
|
d2
|
k
|
m/kg
|
|
SCWS63
|
8
|
33.3
|
70
|
97
|
95
|
60
|
220
|
102
|
M8×16
|
63
|
80
|
3
|
17
|
|
SCWS80
|
12
|
43.3
|
75
|
110
|
106
|
66
|
267
|
125
|
M8×16
|
69
|
100
|
3
|
24
|
|
SCWS100
|
14
|
53.8
|
86
|
130
|
140
|
85
|
325
|
150
|
M10×20
|
80
|
120
|
3
|
41
|

|
型號(hào)\尺寸
|
a
|
d3
|
i<16
|
i≥16
|
D2(H7)
|
b2
|
t2
|
L2
|
||||||||
|
d1
|
l1
|
b1
|
t1
|
L1
|
d1
|
l1
|
b1
|
t1
|
L1
|
|||||||
|
SCWS125
|
125
|
235
|
32k6
|
58
|
10
|
35
|
218
|
28j6
|
42
|
8
|
31
|
202
|
60
|
18
|
64.4
|
107
|
|
SCWS140
|
140
|
265
|
38k6
|
58
|
10
|
41
|
228
|
28j6
|
42
|
8
|
31
|
212
|
65
|
18
|
69.4
|
120
|
|
SCWS160
|
160
|
300
|
42k6
|
82
|
12
|
45
|
277
|
32k6
|
58
|
10
|
35
|
253
|
70
|
20
|
74.9
|
125
|
|
SCWS180
|
180
|
330
|
42k6
|
82
|
12
|
45
|
292
|
32k6
|
58
|
10
|
35
|
268
|
80
|
22
|
85.4
|
137.5
|
|
SCWS200
|
200
|
365
|
48k6
|
82
|
14
|
51.5
|
324
|
38k6
|
58
|
10
|
41
|
300
|
85
|
22
|
90.4
|
143
|
|
SCWS225
|
225
|
415
|
48k6
|
82
|
14
|
51.5
|
342
|
38k6
|
58
|
10
|
41
|
318
|
95
|
25
|
100.4
|
160
|
|
SCWS250
|
250
|
475
|
55k6
|
82
|
16
|
59
|
380
|
42k6
|
82
|
12
|
45
|
380
|
105
|
28
|
111.4
|
168
|
|
SCWS280
|
280
|
540
|
60m6
|
105
|
18
|
64
|
430
|
48k6
|
82
|
14
|
51.5
|
407
|
115
|
32
|
122.4
|
180
|
|
SCWS315
|
315
|
600
|
65m6
|
105
|
18
|
69
|
470
|
48k6
|
82
|
14
|
51.5
|
447
|
125
|
32
|
132.4
|
200
|
|
型號(hào)\尺寸
|
L3
|
L4
|
H1
|
H2
|
D1
|
D3
|
D4
|
B1
|
B2
|
m
|
R
|
h
|
d2(h8)
|
k
|
m/kg
|
|
SCWS125
|
202
|
143
|
105
|
380
|
210
|
M12×24
|
13×35
|
84
|
84
|
145
|
135
|
80
|
180
|
10
|
80
|
|
SCWS140
|
220
|
152
|
125
|
433
|
235
|
M12×24
|
13×35
|
95
|
95
|
160
|
150
|
105
|
200
|
10
|
108
|
|
SCWS160
|
245
|
158
|
125
|
470
|
270
|
M12×24
|
13×35
|
95
|
95
|
170
|
170
|
95
|
220
|
10
|
138
|
|
SCWS180
|
260
|
175
|
150
|
530
|
290
|
M16×30
|
17×45
|
110
|
110
|
200
|
190
|
125
|
245
|
12
|
183
|
|
SCWS200
|
295
|
185
|
148
|
580
|
320
|
M16×30
|
17×45
|
115
|
115
|
250
|
213
|
110
|
245
|
12
|
243
|
|
SCWS225
|
320
|
198
|
170
|
640
|
360
|
M16×30
|
17×45
|
130
|
130
|
280
|
235
|
145
|
265
|
12
|
286
|
|
SCWS250
|
360
|
203
|
150
|
682
|
420
|
M16×30
|
17×45
|
135
|
135
|
320
|
265
|
125
|
280
|
12
|
350
|
|
SCWS280
|
390
|
227
|
165
|
755
|
450
|
M20×38
|
21×55
|
150
|
150
|
380
|
295
|
130
|
350
|
14
|
483
|
|
SCWS315
|
430
|
252
|
195
|
850
|
520
|
M20×38
|
21×55
|
170
|
170
|
410
|
340
|
150
|
380
|
15
|
655
|

|
型號(hào)\尺寸
|
a
|
d3
|
i<16
|
i≥16
|
D2(H7)
|
||||||||
|
d1(j6)
|
l1
|
b1
|
t1
|
L1
|
d1(j6)
|
l1
|
b1
|
t1
|
L1
|
||||
|
SCWO 63
|
63
|
150
|
19
|
28
|
6
|
21.5
|
128
|
19
|
28
|
6
|
21.5
|
128
|
30
|
|
SCWO80
|
80
|
175
|
24
|
36
|
8
|
27
|
151
|
24
|
36
|
8
|
27
|
151
|
40
|
|
SCWO100
|
100
|
218
|
28
|
42
|
8
|
31
|
182
|
24
|
36
|
8
|
27
|
176
|
50
|
|
型號(hào)\尺寸
|
b2
|
t2
|
L2
|
L3
|
L4
|
H1
|
H2
|
D1
|
D3
|
B
|
d2(h8)
|
k
|
m/kg
|
|
SCWO 63
|
8
|
33.3
|
70
|
97
|
95
|
60
|
220
|
102
|
M8×16
|
63
|
80
|
3
|
17
|
|
SCWO80
|
12
|
43.3
|
75
|
110
|
106
|
66
|
267
|
125
|
M8×16
|
69
|
100
|
3
|
24
|
|
SCWO100
|
14
|
53.8
|
86
|
130
|
140
|
85
|
325
|
150
|
M10×20
|
80
|
120
|
3
|
41
|

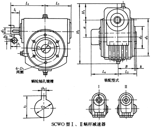
SCWO型ⅠF、ⅡF蝸桿減速器及裝配型式 /mm
|
型號(hào)\尺寸
|
a
|
d3
|
i<16
|
i≥16
|
D2(H7)
|
b2
|
t2
|
L2
|
||||||||
|
d1
|
l1
|
b1
|
t1
|
L1
|
d1
|
l1
|
b1
|
t1
|
L1
|
|||||||
|
SCWO125
|
125
|
235
|
32k6
|
58
|
10
|
35
|
218
|
28j6
|
42
|
8
|
31
|
202
|
60
|
18
|
64.4
|
107
|
|
SCWO140
|
140
|
265
|
38k6
|
58
|
10
|
41
|
228
|
28j6
|
42
|
8
|
31
|
212
|
65
|
18
|
69.4
|
120
|
|
SCWO160
|
160
|
300
|
42k6
|
82
|
12
|
45
|
277
|
32k6
|
58
|
10
|
35
|
253
|
70
|
20
|
74.9
|
125
|
|
SCWO180
|
180
|
330
|
42k6
|
82
|
12
|
45
|
292
|
32k6
|
58
|
10
|
35
|
268
|
80
|
22
|
85.4
|
137.5
|
|
SCWO200
|
200
|
365
|
48k6
|
82
|
14
|
51.5
|
324
|
38k6
|
58
|
10
|
41
|
300
|
85
|
22
|
90.4
|
143
|
|
SCWO225
|
225
|
415
|
48k6
|
82
|
14
|
51.5
|
342
|
38k6
|
58
|
10
|
41
|
318
|
95
|
25
|
100.4
|
160
|
|
SCWO250
|
250
|
475
|
55k6
|
82
|
16
|
59
|
380
|
42k6
|
82
|
12
|
45
|
380
|
105
|
28
|
111.4
|
168
|
|
SCWO280
|
280
|
540
|
60m6
|
105
|
18
|
64
|
430
|
48k6
|
82
|
14
|
51.5
|
407
|
115
|
32
|
122.4
|
180
|
|
SCWO315
|
315
|
600
|
65m6
|
105
|
18
|
69
|
470
|
48k6
|
82
|
14
|
51.5
|
447
|
125
|
32
|
132.4
|
200
|
|
型號(hào)\尺寸
|
a
|
d3
|
i<16
|
i≥16
|
D2(H7)
|
b2
|
t2
|
L2
|
||||||||
|
d1
|
l1
|
b1
|
t1
|
L1
|
d1
|
l1
|
b1
|
t1
|
L1
|
|||||||
|
SCWO125
|
125
|
235
|
32k6
|
58
|
10
|
35
|
218
|
28j6
|
42
|
8
|
31
|
202
|
60
|
18
|
64.4
|
107
|
|
SCWO140
|
140
|
265
|
38k6
|
58
|
10
|
41
|
228
|
28j6
|
42
|
8
|
31
|
212
|
65
|
18
|
69.4
|
120
|
|
SCWO160
|
160
|
300
|
42k6
|
82
|
12
|
45
|
277
|
32k6
|
58
|
10
|
35
|
253
|
70
|
20
|
74.9
|
125
|
|
SCWO180
|
180
|
330
|
42k6
|
82
|
12
|
45
|
292
|
32k6
|
58
|
10
|
35
|
268
|
80
|
22
|
85.4
|
137.5
|
|
SCWO200
|
200
|
365
|
48k6
|
82
|
14
|
51.5
|
324
|
38k6
|
58
|
10
|
41
|
300
|
85
|
22
|
90.4
|
143
|
|
SCWO225
|
225
|
415
|
48k6
|
82
|
14
|
51.5
|
342
|
38k6
|
58
|
10
|
41
|
318
|
95
|
25
|
100.4
|
160
|
|
SCWO250
|
250
|
475
|
55k6
|
82
|
16
|
59
|
380
|
42k6
|
82
|
12
|
45
|
380
|
105
|
28
|
111.4
|
168
|
|
SCWO280
|
280
|
540
|
60m6
|
105
|
18
|
64
|
430
|
48k6
|
82
|
14
|
51.5
|
407
|
115
|
32
|
122.4
|
180
|
|
SCWO315
|
315
|
600
|
65m6
|
105
|
18
|
69
|
470
|
48k6
|
82
|
14
|
51.5
|
447
|
125
|
32
|
132.4
|
200
|

冀公網(wǎng)安備13092802000153號(hào)